Lonten Tech
Custom T-V6 Plated Copper Nozzle Durable Non-stick High Performance For 3D Printers M6 Thread For E3D V6 Dragon Hotend Manufacturer
Custom T-V6 Plated Copper Nozzle Durable Non-stick High Performance For 3D Printers M6 Thread For E3D V6 Dragon Hotend Manufacturer
Couldn't load pickup availability
Dear buyer, welcome to our shop, have a nice day!
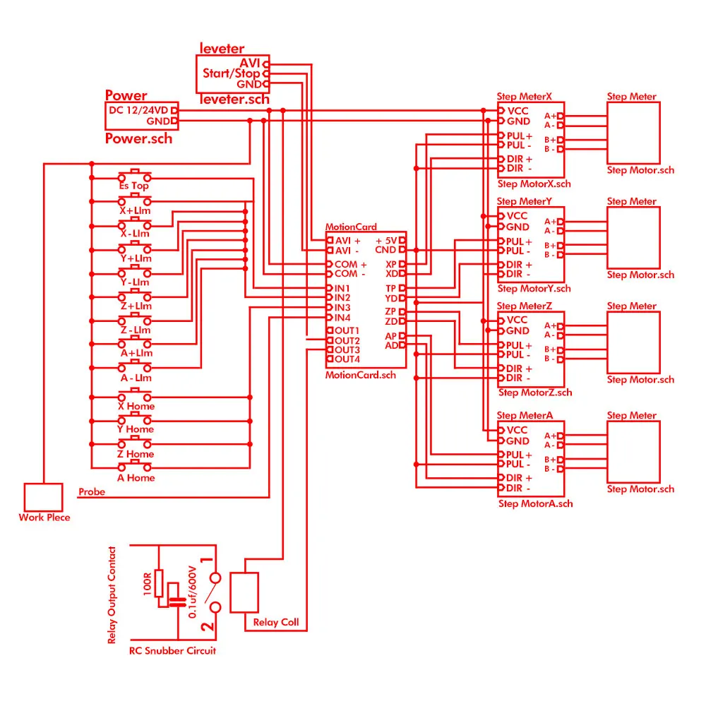
Description:
1. Support for 4-axis linkage, you can connect four stepper motor drives or servo drives;
2. Maximum step-pulse frequency is 100KHz,which is suitable for the servo or stepping motor;
3. Support automatic probe tool
4. Support Emergency input
5. Support for limit switch
6. Support for connecting electronic handwheel
7. Need use external 24V DC power supply to isolate USB and external port, and to make the system more stable
8. Have 0-10V output port, you can use mach3 software to control the spindle motor speed.
9. 4 general-purpose inputs, you can connect the limit switch, estop switch, probe switch, back to zero and other device
10. 4 general-purpose isolated relay drive output interface, can drive four relays for controlling the spindle starts, forward rotating and reverse rotating, pumps and other device
11. 1 status LED, indicate connection status on the board
Size: 8x7.7cm/3.15x3.03inch
Quantity:1 Set
Note:
Please allow 1-3mm error due to manual measurement. pls make sure you do not mind before you bid
Due to the difference between different monitors, the picture may not reflect the actual color of the item. Thank you!
Package Contents:
1 x USB CNC Controller Card
1 x USB cable
1 x CD







Share
