Lonten Tech
Custom impedance relay module RT03106 replaces AG2120
Custom impedance relay module RT03106 replaces AG2120
Couldn't load pickup availability
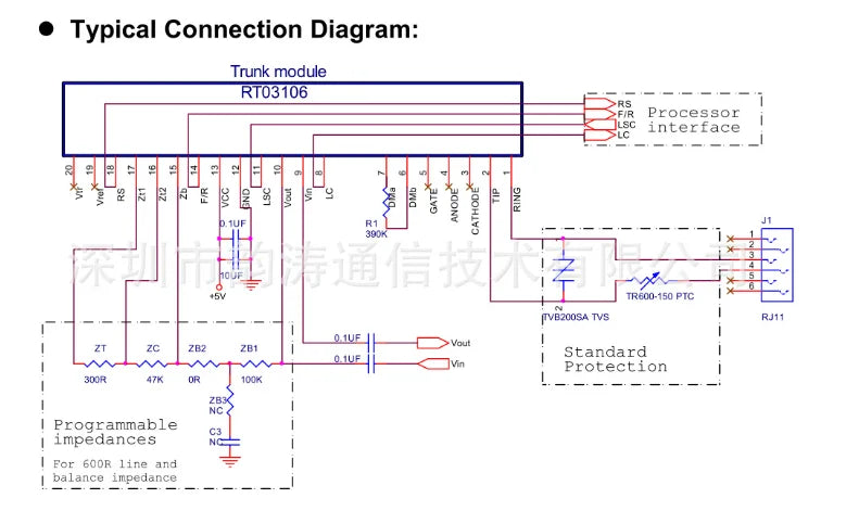
RT0106 loop relay interface circuit
Overview:
The RT0106 loop relay interface circuit adopts a traditional transformer coupling scheme, which has good lightning protection effect, minimal signal distortion, extremely high common mode suppression ratio, and ideal ground balance, and can meet the requirements of system transmission indicators and safety. Meanwhile, due to the use of anti bell current impact circuits, the system can safely and reliably connect with various switches.
The RT0106 loop relay interface circuit adopts a high impedance signal channel. In the on hook state, the circuit will automatically switch to this channel to achieve audio signal transmission in the on hook state. This channel has minimal distortion and can reliably detect DTMF signals and FSK signals when on hook.
RT0106 programmable two wire impedance, suitable for global markets
Features:
·Traditional Transformer Scheme
·Implement fully functional PSTN interface functions (COIC, FXO, DAA, Trunk Interface)
·High integration with minimal peripheral circuits
·Ring detection
·Polarity detection
·High impedance signal channel
·Constant current load
·Programmable two wire impedance, suitable for global markets
Application:
It can serve as a relay interface for the following systems:
·Program controlled digital exchange
·IP Phone
·Call center, voice card

Share





