1
/
of
6
Lonten Tech
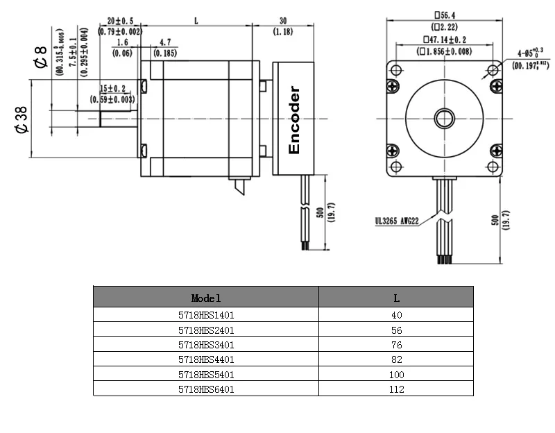
Custom 57HBS2401 Nema 23 Stepper Motor Driver Servo Motor 76 Closed-loop step motor 1.3NM 1000ppr Hybrid closed loop step motor Manufacturer
Custom 57HBS2401 Nema 23 Stepper Motor Driver Servo Motor 76 Closed-loop step motor 1.3NM 1000ppr Hybrid closed loop step motor Manufacturer
Regular price
$100.00 USD
Regular price
$0.00 USD
Sale price
$100.00 USD
Unit price
/
per
Couldn't load pickup availability










Welcome Customize Order!
Share
