Lonten Tech
Custom 10.1 Inch 1024*600 HD-Compatible Screen LCD Display With Driver Board Monitor For Raspberry Pi Banana/Orange Pi Mini Computer Manufacturer
Custom 10.1 Inch 1024*600 HD-Compatible Screen LCD Display With Driver Board Monitor For Raspberry Pi Banana/Orange Pi Mini Computer Manufacturer
Couldn't load pickup availability
10.1 inch 1024*600 HD-Compatible Screen LCD Display with Driver Board Monitor for Raspberry Pi Banana/Orange Pi Mini computer
When you choose to buy "Only Control Board", please make sure that your screen interface is 50Pin and the resolution is 1024x600. It is not compatible with other specifications of the screen

Interface introduction:
1-HD-Compatibl Signal Input Interface
2-Mirco USB Power Supply Interface
3-4Pin Power Extension Interface
4-LED Display Backlight Power Supply
5-50Pin TTL Screen Interface
6-Button Board Interface
can be directly from the computer USB port or power bank!








Specifications
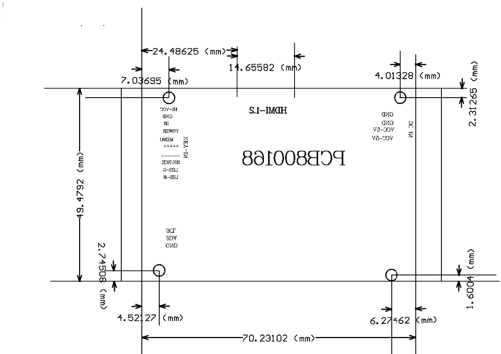
PCB-800168Driver board
1. Product description:
This driver board uses SIXTHHD-HD1 main control IC
The power supply adopts AMS1117-3.3V, AMS1117-1.8V
This driver board can
1,1 HD signal input, and this IC supports 1.2
2,Support 5V DC voltage input, you can also use USB or mobile power supply, but the positive and negative poles cannot be reversed to avoid damage to the circuit board
3,Driver board integrated LCD screen LED backlight driver board
4,Standard button board interface, and supports dual-color LED indicator display
5,Support TTL signal output
Compatible General 50PIN 1024*600 resolution interface TTL LCD screen
6,This drive board has four positioning holes
Interface function description
| Tag | Function Description | Remarks |
| HD | HD input | HD standard is 1.2 |
| J3 | power input |
|
| J7 | LED backlight seat |
|
| CON1 | TTL-50PIN signal output |
|
| J6 | Buttons, remote control, LED indicator interface |
|
| J5 | Upgrade program interface | For factory upgrade |
J6 key board, remote control input interface
| Serial number | definition | Explanation |
| 1 | 5V | Remote control power supply, actually 3.3V |
| 2 | GND | GND |
| 3 | IR | Remote input |
| 4 | POWER | Switch function |
| 5 | MENU | Menu display function |
| 6 | + | plus |
| 7 | _ | Less |
| 8 | SOURCE | Source conversion |
| 9 | LED-R | LED indicator |
| 10 | LED-G | LED indicator |
J3-DCIN power connectorJ3-DCIN power connector
| 1 | +5V | Positive power input |
| 2 | +5V | Positive power input |
| 3 | GND | GND |
| 4 | GND | GND |
HD interface
| 1 | HD standard interface | Standard wire available |
J5, upgrade interface
| 1 | SCL | SCL Upgrade port |
| 2 | SDA | SDA Upgrade port |
| 3 | GND | GND |
| 4 | NC | NC |
Share
